WarmlyYours nSpire UDG4 Touch Programmable Thermostat with single Conduits

Electrical Install Kit with Conduit Installation

This kit contains enough conduits for the protection of line voltage wires.
If your local code requires conduit to protect low-voltage wires, contact WarmlyYours for kit ROUGH-IN-KIT-03.
PLEASE CONSULT YOUR LOCAL CODE AUTHORITY FOR REQUIREMENTS.
- Have an electrician supply power to the thermostat box location with a dedicated,
20 Amp 120V or 240V circuit (determined by the voltage of the product ordered), controlled by a non-GFCI breaker. - Place the 2”x4” single gang box against a stud, approximately 50 inches above the floor. Hammer two, box-mounting nails through the box into the stud. Break the
tabs/knockouts at the applicable location of the box and insert the power supply wires and/or conduit into and through the conduit knockouts.
- The sill plate or bottom plate of the wall may need to be notched with a wood chisel directly below the location of the thermostat to allow placement of the conduit for the cold lead and sensor (if required). There should be a conduit for the cold lead and a separate conduit for the sensor if the local code requires low-voltage wires be protected by the conduit.
Never run the sensor wire in the same conduit as the cold lead!
- If conduit is required by the local code, install the approved conduit now between the thermostat box and the notch cut into the bottom plate at the base of the wall. Use approved conduit anchors and bushings to protect the cold lead wire and sensor wires as they are fed up the wall and into the thermostat box. The supplied conduit may need to be shortened at this time to fit properly. Test the thermostat sensor with a digital ohm meter as described in the installation manual. If the sensor tests good, run the sensor wire up the other conduit (if required, not included) or up the wall and into the thermostat box. If the local electrical code does not require conduit for the low voltage sensor wire, use the included Low Volt Staples to attach the wire to the stud every 6”-8”.
Do NOT pinch the sensor wire when hammering in the staples, permanent damage to the sensor wire can result. Install the floor sensor (if applicable) as shown in the instructions.
- Once the electric radiant heating system has been installed, test the system with a digital ohm meter as described in the installation manual. If the system tests good, run the cold lead up the conduit and into the thermostat box.

- Once the wires are run up to the thermostat box, install the cable protector plate so it covers the wires at the bottom plate. This will protect the wires from stray nails.

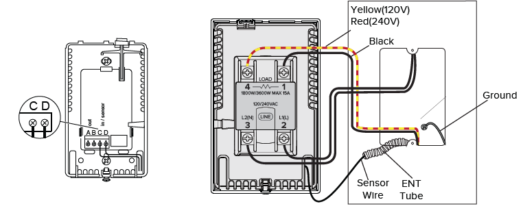
- Place the smurf/ENT tube over the sensor wire to protect it from the high-voltage wires.

- Make connections to line and load wires at the back of the thermostat. Place sensor wires into and through the side hole of the thermostat’s power base. Attach the sensor wires to the front of the thermostat’s power base.

- Place the thermostat into the single gang box and line up all of the holes. Use the included screws to attach the power base to the box. Center and level the thermostat and then tighten the screws to hold the unit in place. Install the thermostat’s faceplate onto the power base.

Reference
Download Manual:
WarmlyYours nSpire UDG4 Touch Programmable Thermostat with single Conduits Installation Guide
other manuals
WarmlyYours nSpire UDG4 Touch Programmable Thermostat with 2 Conduits Installation Guide
WarmlyYours nSpire UDG4 Touch Programmable Thermostat with without Conduits Installation Guide
WarmlyYours nSpire UDG4 Touch Programmable Thermostat interactive User manual
WarmlyYours nSpire UDG4 Touch Programmable Thermostat Quick Start Guide

WarmlyYours nSpire UDG4 Touch Programmable Thermostat with single Conduits Installation Guide

Leave a Reply