SunTouch SUNSTAT VIEW 500750 Thermostat Installation and Operation

The SunStat View model 500750 is designed to operate either a 120 VAC or 240 VAC resistance floor heating system. It comes with an easy setup wizard, a typical program ready to go, and a GFCI inside to meet safety needs.
Press anywhere on the display if the screen is blank. This wakes the display.
WARNING
Read this Manual BEFORE using this equipment.
Failure to read and follow all safety and use information can result in death, serious personal injury, property damage, or damage to the equipment.
Keep this Manual for future reference.
Installation must be performed by qualified personnel, in accordance with local codes and standards. A licensed electrician is recommended.
WARNING
As with any electrical product, care should be taken to guard against the potential risk of fire, electric shock, and injury to persons. The following must be observed:
- Wire all circuits as Class 1, Electric Light and Power Circuits.
- Wire all circuits with insulation rated 600V minimum.
- Mount this control only to a grounded metallic box or a nonmetallic box.
- Use power supply wires suitable for at least 90°C.
- High voltage – disconnect power supply before servicing.
- The GFCI (ground-fault circuit interrupter) in this thermostat control does not protect against shock if both bare conductors are touched at the same time.
- Do not exceed 15 amps on this thermostat control. Doing so will cause risk of fire hazard and damage.
- Make sure the house power supply voltage matches the voltage rating of the floor heating system. Do not apply 240 VAC to a 120 VAC rated system.
Connecting the wrong voltage may cause overheating and damage to the system, the control, floor coverings, etc.
Local building or electrical codes may require modifications to the information provided. You are required to consult the local building and electrical codes prior to installation. If this information is not consistent with local building or electrical codes, the local codes should be followed.
Items included
Unpack the thermostat control and make sure everything is in good condition.
Do not use a damaged control or part. The package comes with these items:
- (1) Thermostat
- (1) Thermostat Floor Sensor
- (5) Wire Nuts (Marettes®)
- (2) Mounting Screws
- (1) Screwdriver
Tools and supplies needed
- No. 2 Phillips screwdriver
- Hole saw (if installing in an existing wall)
- Wire strippers, wire cutters, and other electrical tools
- Electrical wall box (plastic or metal)*
NOTICE
A single-gang extra-deep box allows sufficient space to connect 1 or 2 heating mats or cables. For 3 heating mats or cables, a 4-inch square extradeep electrical box with a single-gang “mud ring” is necessary. Alternately,a junction box may be installed to connect multiple heating mats or cables,then run power supply wire from the junction box to the control electrical box. See the Installation Instructions provided with the floor heating system for more details.
Installation
Locating the Control
Find a suitable location for the control. Consider the following:
- It is designed for indoor dry location only.
- It may be placed on an insulated or uninsulated wall, preferably an interior wall to avoid overheating from outside sun heat.
- Keep it away from all water sources such as sinks, showers, and bathtubs as well as heat sources such as hot-water piping, heat ducting, wall-mount lighting, and direct sunlight.
- Locate it at a suitable height, normally about 4-1/2’ to 5’ (1.4 m to 1.5 m) from the floor.
Mounting the Electrical Box
- When mounting on an existing wall, cut the opening for the electrical box for the control. To make it easier to pull the wiring, wait to install the electrical box until after all wiring is drawn into this opening.
- When mounting on an open wall, secure the electrical box for the control to the wall stud. Conduit from the electrical box to the floor is recommended (check local codes for requirements) for additional protection. Install one conduit for the floor sensor. Install another conduit for the floor heating system power leads.
- Refer to the Installation Instructions supplied with the floor heating system for additional installation details.
Wiring
WARNING
To prevent the risk of personal injury and/or death, make sure power is not applied to the product until it is fully installed and ready for final testing. All work must be done with power turned off to the circuit being worked on.
House Wiring
Pull power supply wiring to the control location. Consider the following:
- Leave about 6 to 8 inches (15 to 20 cm) of wire for connections later.
- This wiring should be size 12 or 14 AWG following appropriate local code requirements.
- A qualified person should run a dedicated circuit from the main circuit breaker panel to the control location. If a dedicated circuit is not possible, it is acceptable to tap into an existing circuit. However, there must be enough capacity to handle the load (amps) of the floor heating system being installed and any possible appliance, such as a hair dryer or vacuum cleaner.
- Avoid circuits that have ballasted lighting, motors, exhaust fans, or hot tub pumps due to possible interference.
- The circuit breaker should be rated 20 amps for total circuit loads up to 15 amps. A 15 amp circuit breaker may be used for total circuit loads up to 12 amps.
- A GFCI (ground-fault circuit interrupter) or AFCI (arc-fault circuit interrupter) type circuit breaker may be used if desired, but is not necessary.
Floor Sensor
- Test the Thermostat Floor Sensor included to make sure it has not been damaged in handling. Use a digital multimeter set to the 20kΩ range. The resistance varies according to the temperature sensed. These are approximate values for reference:
Table 1 – Sensor resistancesTEMPERATURE TYPICAL VALUES 55°F (13°C) 17 kΩ 65°F (18°C) 13 kΩ 75°F (24°C) 10 kΩ 85°F (29°C) 8 kΩ - Pull the floor sensor wire up the wall (or conduit) to the control location.
Consider the following:- Leave about 6 to 8 inches (15 to 20 cm) of wire for connections later.
- The sensor wire may be cut shorter if desired, but do not cut it shorter until the sensor is fully installed (see below). Re-strip the sensor wire ends 1/8″ to 3/16″ (3 mm to 4.5 mm) long. If the ends are stripped longer than this they may short-circuit resulting in an Err2 code.
- If the sensor wire is not long enough to reach the control location, it may be extended an additional 15 feet (4.5 m) using minimum 20 AWG 2-conductor unshielded wire, or an additional 50 feet (15 m) using shielded wire. When using shielded wire, the “shield” must be connected to the lower sensor terminal, nearest to Bus A. A junction box may be required by local code for the connection to this extension wire.
- After the floor heating system is completely installed according to its instructions, secure the thick sensor tip to the floor. Consider the following:
- It must be located halfway between heating wires and at least 1 foot into the heating area.
- Use hot-glue to secure the sensor tip and wire in place.
- Do not cross over a heating wire.
- Avoid placing it in an area where heating wires are spaced further apart than the rest of the floor, like a large gap between mats or cables.
- Avoid placing it in an area where a heat duct or recessed light will cause improper measurements.
- Try to avoid locating it where future items such as a clothes hamper or similar could trap heat and cause improper measurement.
Power Leads from Heating Mat or Cable
Pull the power lead wires from the floor heating system into the control location.
Excess power lead wire may be cut off, but leave about 6 to 8 inches (15 to 20 cm) of wire for connections.
Removing the Thermostat Front Module
- Remove the Screw Cover at the bottom and loosen the screw.
- Lift the Front Module away from the Power Module.

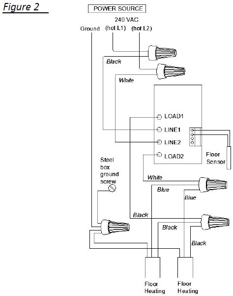
Wiring Connections
(see Figure 1 and 2)
Connect the wires as shown in the diagram. Consider the following:
- Gently tug on the wires to make sure they are secure. For added security, overwrap the Wire Nut connections with electrical tape.
- If the electrical box is metal, a short length of wire must be secured to the electrical box from the ground connection.
- When connecting the Floor Sensor to the Sensor terminals, it does not matter which wire goes into which terminal.
- The Bus A and B terminals are used to communicate with a SunStat Relay II. Please read and follow the instructions provided with the SunStat Relay II for further details.


Mounting the Thermostat
- Make sure the power supply to the circuit is turned off at the circuit breaker.
- Carefully press the wires back into the electrical box.
- DO NOT use the control to push wires in, as this may cause connections to loosen and possible failure.
- Use the Mounting Screws provided to secure to the electrical box and tighten by hand.
- DO NOT over-tighten the screws causing the plastic to distort, as this may cause improper function of the thermostat.
- Press the Front Module onto the Power Module. Make sure both tabs at the top are completely engaged.
- DO NOT install the Front Module with power applied on the Power Module, as this may cause improper function of the thermostat.
- Secure the screw at the bottom and replace the Screw Cover.
- DO NOT over-tighten the screw causing it to strip. Turn it until snug.
Operation
Overview

On/Off and Reset
Pressing
will turn the thermostat on or off. This also resets the thermostat to clear an error or GFCI fault. See “GFCI Testing” and “Troubleshooting”.
Startup
When first powered on, the thermostat begins a “startup wizard” to help the user through basic setup.
- Press “Begin”.
- Select the language desired and press “Next”.
- Select the format for the time and temperature and press “Next”.
- Set the date and press “Next”.
- Set the time and press “Next”.
- The last display shows a short message. Press “Finish” and thermostat will begin working automatically on a Pre-Programmed Schedule.
GFCI Testing
The GFCI (Ground Fault Circuit Interrupter) in this control must be tested when installation is finished and once each month.
- Make sure the control shows “Heating”. This may require temporarily increasing the Setpoint temperature by pressing
. - Press the GFCI TEST button. “GFCI TRIP” should be indicated on the control.
There will also be a click sound, indicating power has been removed from the floor heating system. If either of these indications fail, turn off the thermostat and replace it. Do not continue to use. - To reset the GFCI TRIP, press the
button off and back on.
Adjusting the Temperature
Normally the thermostat will run automatically based on the settings in the Program Schedule. However, these settings may be overridden temporarily or for a specified period of time.
Temporary Adjustment
- Press
or
to adjust the setpoint temperature. After a few seconds will show. This setpoint will be held until the next Program Schedule time. - Pressing
will cancel this override and return to the Program Schedule.
Hold a Setpoint Temperature
- Press
or
to adjust the setpoint temperature. - For a few seconds the display will show H. Press to hold the setpoint temperature instead of using the Program Schedule. The display will change to show “Hold” and the current setting.
- Press
or
to select the period of time to hold this temperature.
- Selecting “Continuous” will hold the temperature indefinitely.
- Selecting from 1 to 99 days will hold the temperature this number of days and then return automatically to the schedule settings. This is useful when you are away for a period of time and want to set it to a constant lower temperature, saving energy during that time.
- Press Done! to save the selection.
- Pressing
will cancel the override and return to the Program Schedule.
Vacation Hold
To quickly override the Program Schedule to a low setpoint while on vacation, press Settings
. Select “Vacation” and confirm. The display will show the vacation setpoint temperature and “Vacation”. This temperature will hold until
is pressed.
Customizing the Program Schedule
- Press Program
.The schedule shown is set for the highlighted days shown at the top of the display. This is a 7-day programmable thermostat, so each day can have its own schedule. - Press
to browse through each day(s) schedule.
- Each day has 4 periods (WAKE, LEAVE, RETURN, SLEEP). A period is a certain time that you wish the thermostat to begin heating at a certain setpoint temperature.
EXAMPLE: - To have the floor warm up to 80°F at 5:30 AM in the morning, set the WAKE period to these values.
- To save energy and allow my floor to cool to 74°F after leaving at 7:15 AM, set the LEAVE period to these values.
- To have the floor warm again to 80°F when returning home at 6:00 PM, set the RETURN period to these values.
- Finally, to save energy overnight and cool the floor to 74°F after 10:00 PM, set the SLEEP period accordingly.
- With the SmartStart feature turned on (see SmartStart below), the thermostat will learn how long it takes the floor to reach 80°F and begin warming up a little early, reaching approximately 80°F by the WAKE time 5:30 AM and again at the RETURN time 6:00 PM. It will take a few days to learn.
- Each day has 4 periods (WAKE, LEAVE, RETURN, SLEEP). A period is a certain time that you wish the thermostat to begin heating at a certain setpoint temperature.
- Select the period to modify.
- Adjust the Start time and Setpoint Temperature by pressing
or
.
- To clear a period, useful if you want to only raise and lower the temperature once in a day, select the “Disable this period” option. The thermostat will skip over this period in the schedule. There must be two periods in the schedule.
- Press Done! to save.
Building a New Schedule
To build a completely new schedule, press New Schedule . Follow the onscreen steps to select the days to schedule and modify each period to the desired time and temperature. Pressing Next will take you to the remaining days to be scheduled. Continue modifying the schedule for each day as needed. When all days have been completed, press Done! to save these settings.
Changing Settings
- Press Settings
. - Press
or
and select the setti ng. - Press
or
to adjust the setting. - Press Done! to save.
Table 2 – Settings
| Setting | Options |
| Vacation
See the “Vacation Hold” section above. |
Not adjustable |
| Clean Screen
Allows the screen to be cleaned without function for 30 seconds. IMPORTANT: Use a dry or damp soft cloth only to clean the screen. Do not spray the screen directly and do not use harsh solvents or abrasives as this may damage the screen and control. |
Not adjustable |
| Brightness
Adjust the display brightness. |
1 to 10 |
| Date/Time
Set the time and date. This thermostat will automatically adjust the time for daylight savings. If you want this ability turned off, de-select the box “Adjust for Daylight Savings”. |
|
| Usage | 24 hours
7 days 30 days All time |
| The thermostat stores in memory the number of hours that it is | |
| heating. This information may be useful in calculating the energy | |
| used by the floor heating system. To reset these counters to zero, | |
| press Clear and confirm. | |
| Language
Change the language shown. |
English, French, Spanish |
| Format
Format of clock and temperature. |
12 or 24-hour
ᵒF or ᵒC |
| Floor Limit | |
| Minimum and maximum allowable setpoint temperatures of the floor sensor. This is useful when the floor covering cannot exceed a certain temperature (84°F is common for many wood | 40-99ᵒF (4.5-37ᵒC) |
| or laminate products. |
| Floor Limit
Consult your floor covering manufacturer for recommended limits). It is also useful to limit adjustment by users. And it is useful if the thermostat is being operated in Air Sensing mode (see Sensor Regulation below) but it is still desired to maintain a minimum floor temperature regardless of the air temperature. |
Default maximum:
99ᵒF (37ᵒC) Default minimum: 40ᵒF (4.5ᵒC) |
| Sensor Regulation
The thermostat is designed to operate best in Floor Sensing mode. It is also possible to operate in Air Sensing mode with Floor Sensing limitation. However, make sure to set a proper maximum Floor Limit temperature (see Floor Limit above) to avoid overheating certain floor coverings. Also note that internal heating in the thermostat may affect the air sensor temperature reading. |
Floor Sensor Air Sensor
Default:Floor Sensor |
| Calibration
Under special circumstances, it may be desired to slightly adjust the temperature that is displayed for the sensor. Normally this is not recommended. The display will show the current sensor temperature and the offset. |
±9ᵒF (±5ᵒC) |
| SmartStart
Allows the thermostat to learn and automatically determine the best time to begin heating, reaching the setpoint temperature at the scheduled time. For example, the schedule may have a “WAKE” start time of 6:00 AM to be 82ᵒF (27.8ᵒC) and SmartStart may begin pre-heating at 5:30 AM to reach 82ᵒF by 6:00 AM. It will take a few days to learn. |
ON OFF
Default: ON |
| Factory Settings
Use with caution! This will clear all programming and settings to factory condition. This is useful if there are problems or errors which cannot be corrected. |
Troubleshooting
If problems arise with the thermostat, please consult this troubleshooting guide. If not qualified to perform electrical work, it is highly recommended a qualified, licensed electrician be hired. Any electrical troubleshooting work should be performed with the power removed from the circuit, unless otherwise noted. Although this troubleshooting guide is provided to assist with problems experienced with a system, results are never guaranteed. Watts Radiant does not assume any liability or responsibility for damage or injury that may occur from using this guide. If problems with the system persist, call the manufacturer.
Insert the ends of the floor sensor wire into the terminals marked “SENSOR” and snug the screws. It does not matter which wire goes into which terminal.
| Problem | Display | Solution |
| The following are common issues and solutions. A more complete list and more solutions are on the manufacturer website. | ||
|
No heat |
GFCI TRIP |
Reset by turning thermostat off/on. Reset by turning circuit breaker off/on.
Electrician: Check for loose wire connections at breaker and junctions. Check for short-circuit to ground on heating system. |
|
No heat |
HEATING |
Allow sufficient time. Verify floor is insulated.
Electrician: Check for correct resistance between heating system power lead wires. Check for correct voltage supplied to heating system. Check for correct amps drawn by heating system. |
|
No display |
None |
Reset circuit breaker.
Check contacts between Power Module and Front Module and clean with alcohol wipe. Electrician: Check for loose wire connections at circuit breaker and junctions. Check for correct voltage between LINE1 and LINE2. |
| Heating occurs
at the wrong times |
HEATING |
Check that the current time and schedule times are properly set to AM or PM.
On uninsulated concrete slab floors the SmartStart feature may start heating very early. You may turn this feature off if not desired. |
| No heat | FLOOR LIMIT | Check Floor Limit values (see Table 3). |
| No heat | 95°F or higher | Electrician: Check to make sure only one Floor Sensor is attached. |
| Error Codes: An error code may display due to a power glitch or other false issue. Always:
1. Try clearing the Error code once by turning the thermostat off, resetting the circuit breaker, and then turning the thermostat back on. 2. Check the contacts between Power Base and Front Module for dirt or damage. Turn the circuit breaker off and remove the Front Module. Are the contacts bent or dirty? Try gently cleaning them with a rubbing alcohol wipe. Dirt or oil may have contaminated them during installation. In most locations this step may be performed without an electrician since there is no power available. 3. Check that the Mounting Screws are not too tight causing distortion. Turn the circuit breaker off and remove the Front Module. Back the screws out until the Power Base is just snug to the wall. 4. Check that both clips at the top are engaged and that the screw at the bottom is snug. If these actions and the following do not resolve the issue, turn off the circuit breaker and contact the manufacturer for direction. Do not continue using the system to prevent further risk of damage, fire, or electrical shock. |
||
|
No heat |
Err1 |
Floor Sensor may be wrong type.
Electrician: Check floor sensor resistance. See Table 1 in the Installation section above. |
|
No heat |
Err2 |
Floor Sensor wires may be crossed.
Electrician: Check if the Floor Sensor wires crossed and short- circuited. Check Floor Sensor resistance (see Table 1 in the Installation section above). |
|
No heat |
Err3 |
Floor Sensor wires may not be connected.
Check Floor Sensor connections and mounting screws as stated above. Electrician: Check if Floor Sensor is attached. If not, attach and reset the circuit breaker. |
|
No heat |
Err4 or Err5 and Air | Internal air sensor may be faulty.
Change setting to Floor Sensing mode (see Table 3 above). |
|
No heat |
Err6 |
Internal temperature limit may be exceeded.
Check if sunlight or other heat source is causing added heat to thermostat. Electrician: Check if load exceeds 15 amps. |
|
No heat |
Err7 |
Contacts or internal connections may be faulty.
Check connections and mounting screws as stated above. Reset circuit breaker. |
| No heat | Err8 | Internal device error. |
Specifications
| Power Supply | 120 / 240 VAC, 50/60 Hz |
| Maximum Load | 15 A, resistive |
| Maximum Power | 1800 W at 120 VAC / 3600 W at 240 VAC |
| GFCI | Class A (5 mA trip nominal) |
| Display Range | 32ᵒF to 99ᵒF (0ᵒC to 37ᵒC) |
| Setting Range | 40ᵒF to 99ᵒF (4ᵒC to 37ᵒC) |
| Accuracy | ± 0.9ᵒF (0.5ᵒC) |
| Environment | Indoor dry location only |
| Storage Temperature | 0ᵒF to 120ᵒF (-17ᵒC to 49ᵒC) |
| Floor Sensor | Thermistor, 10k NTC type, double insulated, Class2 |
| Memory | Programming retained indefinitely. Current time/day will need reset if power is lost more than 30 minutes. |
| ETL Listing | Control No. 3037530. Conforms to UL 873, UL 943, CSA C22.2 No. 24, CSA/CAN C22.2 No. 144. |
Limited Warranty
Watts Radiant warrants this control (the product) to be free from defect in material and workmanship for a period of (3) years from the date of original purchase from authorized dealers. During this period, Watts Radiant will replace the product or refund the original cost of the product at Watts Radiant’s option,without charge, if the product is proven defective in normal use. Please return the control to your distributor to begin the warranty process.
This limited warranty does not cover shipping costs. Nor does it cover a product subjected to misuse or accidental damage. This warranty does not cover the cost of installation, diagnosis, removal or reinstallation, or any material costs or loss of use.
This limited warranty is in lieu of all other warranties, obligations, or liabilities expressed or implied by the company. In no event shall Watts Radiant be liable for consequential or incidental damages resulting from the installation of this product.
Some states or provinces do not allow limitations on how long an implied warranty lasts, or the exclusion or limitation of incidental or consequential damages, so the above exclusions or limitations may not apply to you. This warranty gives you specific legal rights and you may also have other rights that vary from state to state.
WARNING: This product contains chemicals known to the State of California to cause cancer and birth defects or other reproductive harm. For more information: www.watts.com/prop65
A Watts Water Technologies Company
USA: Springfi eld, MO • Tel. (800) 276-2419 •
Fax: (417) 864-8161 • www.wattsradiant.com
References:
Download Manual
SunTouch SUNSTAT VIEW 500750 Installation and Operation Manual
OTHER MANUAL
SunTouch SUNSTAT VIEW 500750 Product Specification Guide
SunTouch SUNSTAT VIEW 500750 Thermostat Installation and Operation Manual


Leave a Reply